新闻资讯

了解最新公司动态及行业资讯

当前位置:首页>新闻资讯

DC-DC降压开关稳压器通过反馈控制电路实现输出电压的精确调节和稳定输出具有较好的稳压性能

时间:2024-08-26   来源:http://www.hxsemi.com/news/171.html

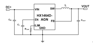
    DC-DC降压开关稳压器是一种重要的电源转换设备,主要用于将较高的直流电压转换为较低的直流电压,以满足各种电子设备对稳定电源的需求。以下是小编整理的对DC-DC降压开关稳压器的简单介绍,希望可以对您有所帮助。

DC-DC降压开关稳压器.png

    一、定义与功能

    DC-DC降压开关稳压器是一种电子装置,它通过开关元件(如MOSFET)的周期性导通和截止,配合电感、电容等储能元件,实现直流电压的高效转换和稳定输出。其主要功能是将不稳定的或较高的直流输入电压转换为稳定且较低的直流输出电压。

    二、工作原理

    DC-DC降压开关稳压器的工作原理主要基于开关电路的调制和储能元件的能量转换。当开关元件导通时,输入电压通过电感对电容进行充电,并储存能量;当开关元件截止时,电感中的电流不能突变,会通过续流二极管(或开关元件的体二极管)继续流动,维持输出电压的稳定。通过调整开关元件的导通和截止时间(即占空比),可以实现对输出电压的精确控制。

    三、主要组成部分

    DC-DC降压开关稳压器主要由以下几个部分组成:

    输入滤波电路:用于滤除输入电压中的高频噪声和波动,保护后续电路免受干扰。

    开关电路:由开关元件(如MOSFET)和控制电路组成,负责实现电压的转换和调节。

    储能元件:包括电感和电容,用于储存和释放能量,实现电压的平滑输出。

    输出滤波电路:进一步滤除输出电压中的高频噪声和纹波,提高输出电压的稳定性和纯净度。

    反馈控制电路:通过检测输出电压的大小,并与设定值进行比较,然后调整开关电路的占空比,以实现输出电压的稳定和精确控制。

    四、特点与优势

    高效能转换:DC-DC降压开关稳压器采用开关电路进行电压转换,具有较高的转换效率,通常可达到80%以上,甚至高达90%以上。

    宽输入电压范围:能够适应较宽的输入电压范围,满足不同应用场合的需求。

    输出电压稳定:通过反馈控制电路实现输出电压的精确调节和稳定输出,具有较好的稳压性能。

    保护功能完善:通常具备过流保护、过压保护、欠压保护、短路保护等安全机制,保护电路免受意外故障和损坏。

    小型化、轻量化:随着电子技术的发展,DC-DC降压开关稳压器不断向小型化、轻量化方向发展,便于在各种电子设备中集成和使用。

    五、应用领域

    DC-DC降压开关稳压器广泛应用于各种电子设备中,如计算机、通信设备、工业控制设备、汽车电子、便携式电子产品等。它们为这些设备提供了稳定可靠的电源供应,确保了设备的正常运行和性能发挥。

    综上所述,DC-DC降压开关稳压器是一种重要的电源转换设备,具有高效能转换、宽输入电压范围、输出电压稳定、保护功能完善以及小型化、轻量化等特点和优势。它在各种电子设备中发挥着重要作用,为设备的正常运行提供了有力保障。

    

上一篇:行车记录仪芯片采用高性能的处理器能够处理高清画质的视频信号并进行实时的图像压缩和编码以减小存储空间

下一篇:HX3248C厂家告诉您LED驱动恒流升压技术可以实现较低的能耗和较长的使用寿命满足现代照明对节能环保的需求

在线咨询

在线咨询
样品申请

微信扫一扫

微信联系
返回顶部