新闻资讯

了解最新公司动态及行业资讯

当前位置:首页>新闻资讯>公司新闻

开关稳压器可以在输出电路发生短路时迅速切断电源保护电路和设备免受损坏

时间:2025-01-06   来源:http://www.hxsemi.com/news-16/177.html

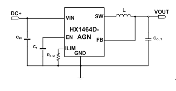
    HX1464D-AGN是一款高效、可靠的开关稳压器,广泛应用于各种电子设备、通信设备和工业控制系统等领域。作为高压输入电源提供的低功率同步降压调节器,HX1464D-AGN以其优良的性能和稳定的输出电压,赢得了市场的广泛认可。

开关稳压器.png

    该开关稳压器具有高效率的特点,其转换效率可达95%以上。这意味着在电能转换过程中,能够最大限度地减少能量损失,提高电源利用效率。同时,HX1464D-AGN的空载输入电流极低,仅为0.2mA左右,进一步降低了待机功耗,延长了设备的使用寿命。

    在输出电压方面,HX1464D-AGN具有出色的稳定性和调节能力。它能够在宽输入电压范围内稳定工作,输出电压可通过内部或外部电路进行精确调节,以满足不同应用场景的需求。此外,该开关稳压器还支持负输出,为一些特殊应用提供了更多选择。

    除了高效率和稳定的输出电压外,HX1464D-AGN还具有短路保护功能。当输出电路发生短路时,它能够迅速切断电源,保护电路和设备免受损坏。这一功能大大提高了设备的可靠性和安全性。

    此外,HX1464D-AGN的封装形式为贴片封装,体积小巧,便于安装和布局。它采用先进的开关电源技术,具有高频开关特性,允许使用小表面贴装型电感器和电容器,进一步减小了电源的体积和重量。

    综上所述,HX1464D-AGN开关稳压器以其高效率、稳定的输出电压、短路保护功能和小巧的封装形式等优点,成为各种电子设备、通信设备和工业控制系统等领域的理想选择。

    

上一篇:没有了!

下一篇:DC-DC降压开关稳压器具有宽输入电压范围和稳定的输出电压特性

在线咨询

在线咨询
样品申请

微信扫一扫

微信联系
返回顶部